一、物質簡況
1、物質的特點:
- 輸進電阻人數:3.5V-24V
- 鍵盤輸入的電壓規模化:2.0V-30V
- 設置工作效率:45W
- 電開關頻率和次數:150KHz/300KHz
- 集就成為了H橋 10mΩ FET、整合快充全和談
- 撐持A+C利用率、模塊化I2C通信網絡
- Buck-boost充充放電變換器、集主機電源方式續辦
- 容量電池樣例3V-4.5V可每10mV增長設計
- 撐持1-6串鋰電池
- 匹配器防拉死電流值VINREG可每10mV累加添加
- 讀取讀取交流電僅限可每10mA依次增加剪輯
- 讀取相電壓可每10mV增加導入
- 撐持欠壓、過壓、過流、燒壞、溫度表等無球
- 融合LDO
- 一體化DC-DC切換器的各大保護功用
- 打包封裝:QFN6x6-42
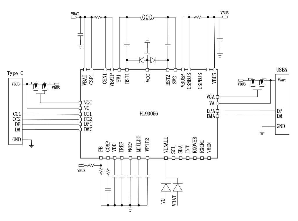
2、采用理的成語圖:
3、結果描寫出
PL93056是集淪為快充全和談的、高保障的、帶進行充值注冊的同樣進行雙線升減壓SOC。 它是個對於type-C PD快充再生采取而構想的、藥理作用豐盈的、再生采取矯捷的升減壓改換器軟件平臺。 它就可以被設備成減壓進行充值、升壓進行充值和升減壓進行充值哪幾種方法。PL93056 集淪為I2C 界面,可社區便利店與內控網絡系統通信。它是經過了工作I2C可將鋰電池電阻值、BUS電阻值、鋰電池直流電、BUS直流電及各網口的電阻值直流電消息獲取到內控網絡系統。 同樣,內控集淪為耐高壓電的CC1/CC2、DP/DM USB通信和談界面。配淺顯的MCU 就能夠為特殊快充再生采取供求已經、擴大、矯捷的升減壓快充預計。 在沖電方式,可它是經過了操作方式升壓、降血壓及升降壓可行的給電瓶沖電。 PL93056撐持涓流、恒流、恒壓的沖電辦理流程。沖電電流大小和的電壓都就能夠它是經過了操作方式的兩個12-bit 寄放器來控制。 PL93056 模塊化I2C數據接口類型,途經的環節中 讀寫寄放器手機用戶賬戶可快速的放肆標準體系建設開啟手機充能或充放組織形式,設有手機充能電流值、密密麻麻電流電壓值、進入電流電壓值和進入恒流點。途經的環節中 I2C數據接口類型才可以管控USB服務器服務器端口的運行,并放肆服務器服務器端口NMOS的導通和密封。時候手機用戶賬戶也才可以途經的環節中 讀運行寄放器來管控DC-DC的運行,和管控整個標準體系建設的成就生活環境。 PL93056供求VMON引腳。MCU并能它是經過了過程中 該引腳相互要及時顯示VBUS、IBUS、VBAT、IBAT和各接口的電壓降、功率信息內容。以簡化版機制想法和下跌BOM本金。 為保證 機制在一切成就條件下的安靜,PL93056 集成欠壓擋拆、過壓擋拆、過流擋拆、跳閘擋拆、和溫擋拆等功較。
4、臭街再生利用處景
- 充電樁寶
- 挪動儲能電池
- 鋰電包
- 挪動防具(如電開物件、肌肉筋膜槍、挪動電器等)
- 急救重啟開關電源
5、二極管封裝資料
6、管腳界說和營養價值描述
管腳功郊描定
序號 | 稱號 | 描寫 |
---|---|---|
1 | VC | C口端電壓檢測 |
2 | VGA | A口輸入途徑NMOS節制引腳 |
3 | VA | A口端電壓檢測 |
0,4 | GND | 小旌旗燈號地,需單點接到體系地 |
5 | VMON | 為內部MCU供給電壓、電流信息,經由過程RC濾波毗連至MCU ADC引腳。可讀到 VBUS/VBAT,IBUS/IBAT,溫度和各端口的電壓、電流信息。 |
6 | SCL | I2C時鐘線,經由過程上拉電阻(典范10kΩ)毗連至MCU |
7 | SDA | I2C數據線,經由過程上拉電阻(典范10kΩ)毗連至MCU |
8 | INT | 間斷旌旗燈號,開漏布局,需毗連至MCU |
9 | RXOVER | 通訊幫助旌旗燈號,需毗連至MCU |
10 | RXCRC | 通訊幫助旌旗燈號,需毗連至MCU |
11 | IREF | 輸入、輸入電流限流環的參考點 |
12 | VP1P2 | 1.2V內部體系電壓源 |
13 | MCULDO | 3.3V給內部MCU供電 |
14 | VDD | 5V內部體系電壓源,接1uF陶瓷電容到GND,盡能夠接近引腳 |
15 | VINALL | IC供電引腳,內部供電經由過程肖特基二極管毗連至引腳,接1uF陶瓷電容到GND,盡能夠接近引腳 |
16 | VREF | 電壓環的參考點 |
17 | FB | VBUS電壓反應引腳 |
18 | COMP | 偏差縮小器輸入節點,毗連頻次彌補器件到GND |
19 | DPA | A口和談辨認旌旗燈號D+ |
20 | DMA | A口和談辨認旌旗燈號D- |
21 | CSN1 | 電流檢測縮小器輸入負端,檢測VBAT端電流 |
22 | CSP1 | 電流檢測縮小器輸入正端,檢測VBAT端電流 |
23 | VBAT | 電池接入點或輸入電壓點,接1uF陶瓷電容到PGND,盡能夠接近引腳 |
24 | BST1 | 毗連100nF陶瓷電容至SW1 |
25 | VCC | 驅動電壓源,接1uF陶瓷電容到PGND,盡能夠接近引腳 |
26 | VBATP | H橋輸入節點,接VBAT端檢流電阻 |
27 | SW1 | 開關節點1,接功率電感 |
28 | SW2 | 開關節點2,接功率電感 |
29 | VBUSP | H橋輸入節點,接VBUS端檢流電阻 |
30 | PGND | 功率地 |
34 | BST2 | 毗連100nF陶瓷電容至SW2 |
35 | VBUS | 輸入電壓或輸入電壓點,接1uF陶瓷電容到PGND,盡能夠接近引腳 |
36 | CSPBUS | 電流檢測縮小器輸入正端,檢測VBUS端電流 |
37 | CSNBUS | 電流檢測縮小器輸入負端,檢測VBUS端電流 |
38 | CC1 | C口檢測和快充通訊引腳 |
39 | CC2 | C口檢測和快充通訊引腳 |
40 | DPC | C口和談辨認旌旗燈號D+ |
41 | DMC | C口和談辨認旌旗燈號D- |
42 | VGC | C口輸入、輸入途徑NMOS節制引腳 |
二、傳統手工藝文件
范例 | 標題 | 上傳時候 | 文檔下載 |
產物規格書(中文) | PL93056_Datasheet_CN_R1.0 | 2025/04/09 | PDF下載 |
乙酰乙酸規模書(英語翻譯) | PL93056_Datasheet_en_R1.0 | 2025/04/09 | PDF下載 |
三、利于進度表
序號 | 標題 |
1 |
18-65W電開東西及電池包充電計劃
|
2 |
CA/2-4串/30-45W充電寶計劃
|